DAHUA LS-LG – Poste de sujeción entre la estructura del videowall y la pared o el techo, fabricado en acero resistente, ofrece estabilidad y soporte robusto para pantallas de gran tamaño en entornos comerciales y corporativos.
$418.92 IVA incluído
- Descripción
 - Información adicional
 - Marca
 - Valoraciones (0)
 
Descripción
Información General
El Poste de Sujeción LS-LG es un componente crítico para instalaciones profesionales de videowalls. Diseñado para ofrecer máxima seguridad y estabilidad, actúa como un puntal de fijación entre la estructura del videowall y la pared o el techo.
Fabricado en acero de alta resistencia, garantiza una sujeción robusta que evita el riesgo de vuelco o desplazamiento hacia adelante, especialmente en configuraciones de grandes dimensiones y peso.

Características Principales
Características principales:
- Función de Seguridad: Proporciona un punto de anclaje adicional que contrarresta el peso de las pantallas, evitando que la estructura se incline hacia delante.
 - Diseño Robusto: Construido en acero resistente para una sujeción fiable y duradera en entornos comerciales de alto tráfico.
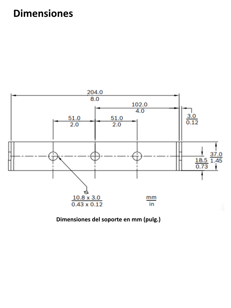
 - Medidas Versátiles: Con una longitud de 725 mm y un perfil bajo de 34 mm, se adapta al espacio entre el videowall y la pared, integrándose de forma discreta.
 - Integración Perfecta: Su acabado en negro minimalista y su diseño discreto permiten mimetizarse con cualquier decoración, manteniendo el enfoque en el impacto visual del videowall.
 - Fácil Instalación: Diseñado para funcionar de forma conjunta con soportes de pie para videowall, simplificando el proceso de montaje y garantizando una instalación segura.
 

Especificaciones Técnicas
- Material: Acero resistente.
 - Compatibilidad: Videowalls de montaje en piso.
 - Ajuste de Altura: Sí, ajustable según necesidades.
 - Facilidad de Instalación: Incluye kit de instalación completo.
 - Longitud del Poste: 725 mm.
 - Altura del Poste: 56.5 mm.
 - Peso del Producto: 1 kg.
 - Color: Negro.
 

Preguntas Frecuentes
¿Qué tamaño de pantallas puede soportar el poste DAHUA LS-LG?
El poste está diseñado para proporcionar estabilidad y soporte robusto a videowalls de gran tamaño, lo que lo hace ideal para entornos comerciales y corporativos.
¿De qué material está fabricado el poste DAHUA LS-LG?
Está fabricado en acero resistente, lo que garantiza durabilidad y un soporte seguro para las pantallas.
¿Es fácil de instalar el poste DAHUA LS-LG en diferentes tipos de superficies?
Sí, este poste está diseñado para ser fijado tanto al piso como a la pared, facilitando la instalación en una variedad de entornos comerciales.

Documentos relacionados:
- DAHUA-DHT0600011-POSTE-PARA-FIJAR-VIDEOWALLS-FICHA-TECNICA-ESPAÑOL.pdf
 - DAHUA-DHT0600011-POSTE-PARA-FIJAR-VIDEOWALLS-FICHA-TECNICA-INGLES.pdf
 - DAHUA-DHT0600011-POSTE-PARA-FIJAR-VIDEOWALLS-MANUAL-USUARIO-INGLES.pdf
 - DAHUA-DHT0600011-POSTE-PARA-FIJAR-VIDEOWALLS-MANUAL-USUARIO-ESPAÑOL.pdf
 - Etiqueta_LS-LG.txt
 
Información adicional
| Peso | 1 kg | 
|---|---|
| Dimensiones | 74 × 10 × 6 cm | 
Marca
DAHUA
Solo los usuarios registrados que hayan comprado este producto pueden hacer una valoración.
	

								
								
                    








Valoraciones
No hay valoraciones aún.