BOSCH M_LBC348400US- ALTAVOZ DE BOCINA CIRCULAR DE 50W 20 PULGADAS TROMPETA
$5,382.95 IVA incluído
- Descripción
- Información adicional
- Marca
- Valoraciones (0)
Descripción
LBC 3484/00 Altavoz de bocina
Los altavoces de bocina de gran eficacia de Bosch ofrecen una excelente reproducción de voz y distribución de sonido para una amplia gama de aplicaciones en exteriores. Son ideales para zonas deportivas, parques, exposiciones, fábricas y piscinas. El modelo LBC 3484/00 es un altavoz de bocina circular de 50 W y 490 mm (19,6 pulg.) de diámetro. Está construido en aluminio. Los bordes de las bocinas están cubiertos con un perfil de PVC para protegerlos de daños causados por golpes. Son de color gris claro (RAL 7035) y resistentes al agua y al polvo.
Altavoces de alarma por voz
El modelo LBC 3484/00 está diseñado para su uso en sistemas de alarma por voz y cumple las normas de emergencia. Los altavoces de bocina tienen una protección incorporada que garantiza que, en caso de incendio, los daños que se produzcan en ellos no provoquen un fallo en el circuito al que están conectados. De esta forma, se conserva la integridad del sistema y se garantiza que los altavoces situados en otras áreas puedan seguir funcionando para informar de la situación a las personas presentes. El altavoz de bocina dispone de un bloque de terminales cerámico, un fusible térmico y cableado resistente a las altas temperaturas con protección térmica. Estos altavoces están preparados para el montaje interior de tarjetas de supervisión de línea/altavoz opcionales.
Funciones básicas
La cubierta posterior de la bocina está fabricada en ABS biodegradable (según la clase UL 94 V0). El cable de conexión recibe alimentación mediante un casquillo de cable (PG 13,5) situado en la cubierta posterior. Para la conexión en lazo directa, la cubierta posterior incorpora un segundo orificio (cubierto de forma estándar). Estas bocinas integradas también están disponibles como bocina y controlador independientes, lo que permite la instalación de cualquier combinación de bocina y controlador. Consulte la información para pedidos para obtener información sobre los números de modelo.
Certificados y homologaciones
Todos los altavoces de Bosch están diseñados para resistir 100 horas de funcionamiento a potencia nominal según los estándares de capacidad de gestión de potencia (PHC) IEC 268-5. Bosch ha desarrollado también la prueba de realimentación acústica simulada (SAFE, del inglés Simulated Acoustical Feedback Exposure) para demostrar que pueden soportar el doble de su potencia nominal durante cortos períodos. De esta forma, se aumenta la fiabilidad en condiciones extremas y se consigue una mayor satisfacción del usuario final, mayor tiempo de duración de los equipos y mucha menos probabilidad de fallo o deterioro.
Planificación Ajuste de alimentación sencillo
La bocina cuenta con un bloque de terminales de tres vías con conexión de tornillo (incluida la toma a tierra). En el transformador de adaptación se proporcionan tres derivaciones primarias para permitir la selección de potencia nominal máxima, media potencia o un cuarto de potencia (en incrementos de 3 dB). Montaje
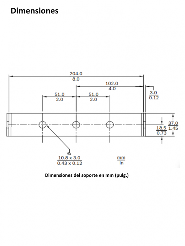
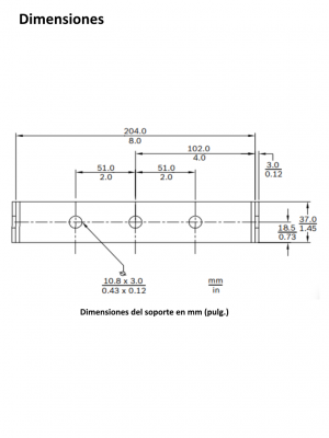
Los altavoces de bocina se suministran con soportes de montaje de acero ajustables y resistentes, que permiten dirigir con precisión el flujo de sonido.
Piezas incluidas
- 1 Altavoz de bocina LBC 3484/00.
- 1 Casquillo de cable PG 13,5 (instalado).
Nota: LBC 3484/00 Altavoz de bocina
Altavoz de bocina circular de 50 W y 20 pulg. fabricado en aluminio/ABS, soporte de montaje en U, resistente al agua y al polvo conforme a IP65, color gris claro RAL 7035..
Número de pedido: LBC3484/00
Principales Características
- Controlador de gran eficacia.
- Reproducción de voz excelente.
- Preparado para el montaje interior de la tarjeta opcional de supervisión de línea/altavoz.
- Resistente al agua y al polvo conforme a la norma IP 65.
- Compatible con BS 5839-8 y EN 60849.
Especificaciones
Eléctricas
- Potencia máxima 75 W.
- Potencia nominal 50/25/12,5 W.
- Nivel de presión acústica a 50 W/1 W (1 kHz, 1 m) 127 dB/110 dB (SPL).
- Rango de frecuencia efectiva (-10 dB) De 350 Hz a 4 KHz.
- Ángulo de apertura a 1 kHz/4 kHz (-6 dB) 60°/28°.
- Tensión nominal 100 V.
- Impedancia nominal 200 ohmios.
- Conector Bloque terminal atornillado.
Mecánicas
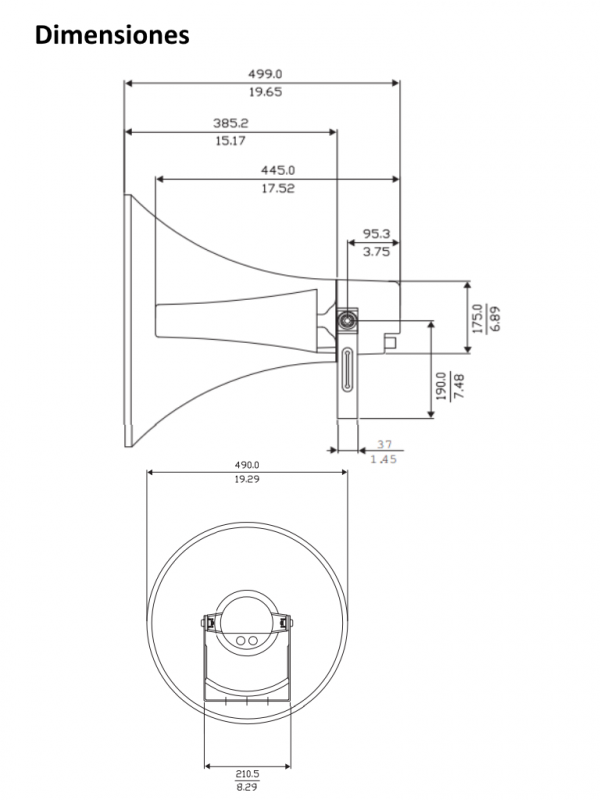
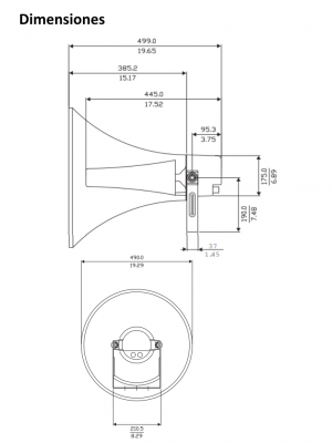
- Dimensiones (L x Pr. máx.) 499 x 490 mm (20 x 19,6 pulg.).
- Peso 6 kg (13,22 libras).
- Color Gris claro (RAL 7035).
- Diámetro del cable: De 6 mm a 12 mm (de 0,24 pulg. a 0,47 pulg.)
Medioambientales
- Temperatura de funcionamiento: De -25 °C a +55 °C (de -13 °F a +131 °F).
- Temperatura de almacenamiento: De -40 °C a +70 °C (de -40 °F a +158 °F).
- Humedad relativa: <95%.

Documentos relacionados:
Información adicional
| Peso | 7.52 kg |
|---|---|
| Dimensiones | 53 × 53 × 54 cm |
Marca
BOSCH
Solo los usuarios registrados que hayan comprado este producto pueden hacer una valoración.

















Valoraciones
No hay valoraciones aún.