BOSCH I_AL802WAL- Fuente de Poder NAC 12/24V 8A
$24,468.97 IVA incluído
- Descripción
- Información adicional
- Marca
- Valoraciones (0)
Descripción
BOSCH I_AL802WAL- Fuente de Poder NAC 12/24V 8A
El extensor de potencia NAC AL1002WAL es una Fuente de alimentación remota y batería costo/eficiencia de 12V 8 A que se puede conectar a cualquier Panel de control de alarma contra incendios (FACP) de 12 V CC o 24 V CC.
Su principal aplicación es proporcionar un circuito de dispositivo de notificación (NAC) de apoyo de expansión que reúne a los Requisitos de EEUU de la Ley de Discapacidades (ADA). también puede ser utilizada para proporcionar energía auxiliar al sistema de apoyo para accesorios

Características
- Dos (2) salidas Clase A o cuatro (4) Clase B
- El modo seguidor de entrada a salida mantiene sincronización de dispositivos NAC
- Fallo de CA, batería baja y presencia de batería, supervisión
- LEDs indican falla previa en una o más señales de salidas de circuito
- Una salida de alimentación auxiliar (corriente de alimentación de 1 A) con batería de respaldo

Funciones
Batería de reserva
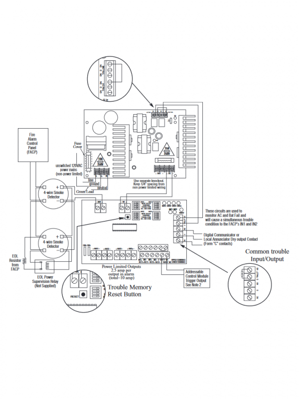
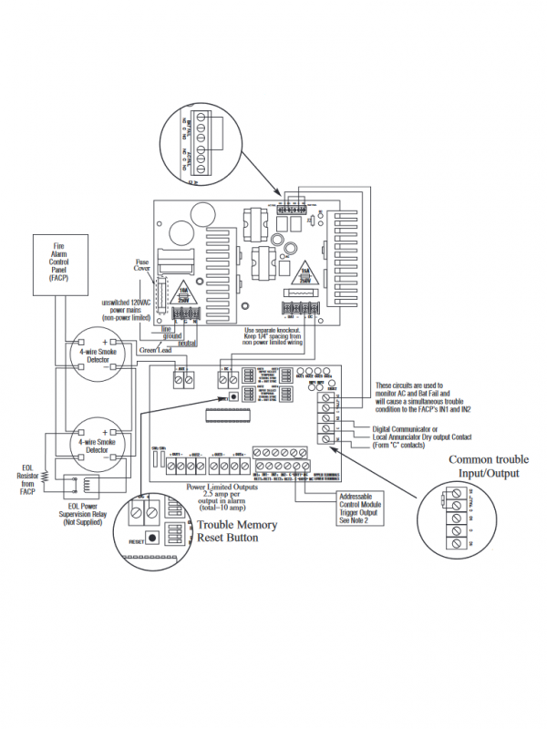
Hay un cargador integrado para plomo-ácido sellado o pilas tipo gel. El recinto tiene espacio para dos baterías de 12 VDC, 12 Ah. Si falla la CA, hay conmutación automática (con caída de tensión cero en la conmutación) a batería de reserva.
Entradas
La entrada de alimentación es de 120 VCA, 60 Hz, 5 A. Hay dos entradas de disparo de contacto seco normalmente cerradas (NC). La unidad está equipada para dos FACP Clase A o dos Clase B entradas.
Supervisión de bucle NAC
En condiciones sin alarma, la supervisión de bucle independiente para los NAC de FACP Clase A y/o Clase B es provista. En caso de un problema de bucle, el FACP es notificado por la entrada dirigida (entrada 1 o entrada 2). Además, hay terminales de salida de problemas comunes (NC, C, NO) que se utilizan para indicar problemas generales en el circuito o en el sistema. A la entrada de problema común se proporciona para dispositivos opcionales normalmente cerrados (NC) para informar problemas al FACP. Se pueden emplear dos salidas de señalización FACP y dirigido a controlar la supervisión y la entrega de energía a cualquier combinación de las cuatro salidas. La unidad también tiene una indicación de memoria de problemas de salida de bucle para ayudar a identificar problemas esporádicos.
Salidas
El AL1002WAL ofrece regulación electrónica y alimentación filtrada de 24 V al bucle NAC de circuitos clase B o clase A. Además, una salida auxiliar separada de 1,0 A para detectores de humo de cuatro hilos está disponible. La corriente máxima de 10 A de alarma se puede dividir entre las cuatro salidas para alimentar dispositivos NAC. Cada salida tiene una corriente nominal de 2,5 A como máximo. Las salidas tienen clasificación Clase 2 de salidas de energía limitada con reinicio automático térmico y protección contra cortocircuitos
Programación de salida
Cada salida se puede programar independientemente para Sincronización constante, código temporal 3 o e stroboscópica.
Todas las salidas se pueden programar para entrada a salida Modo seguidor.
Salidas en paralelo
Se puede obtener una salida individual de 4 A por dos salidas en paralelo.
Sincronización de bocina y luz estroboscópica
El modo de sincronización de dos hilos funciona con el Gentex Commander GOS Modo de sincronización 3, 4 y ST/HS serie; la serie de bocinas System Sensor SpectrAlert, luces estroboscópicas y combinaciones de luces estroboscópicas de bocina; y cooper
Sirenas Wheelock, luces estroboscópicas y luz estroboscópica de bocina y combinaciones para proporcionar un medio de sincronizar las bocinas codificados temporalmente, sincronizando la sincronización del flash
de la luz estroboscópica, y silenciando la bocina de combinación estroboscópica sobre un circuito de dos hilos dejando las luces estroboscópicas activas

Certificaciones y aprobaciones
Certificaciones y aprobaciones

Partes incluidas
Partes incluidas

Especificaciones clave
Dimensiones: 15.5 in. alto x 12 in. ancho x 4.5 in. profundidad (39.4 cm alto x 30.5 cm ancho x 11.4 cm profundidad)
Peso: 17 lbs (7.7 kg)
AL1002WAL NAC Power Extender (10 A)

Documentos relacionados:
Información adicional
| Peso | 5.034 kg |
|---|---|
| Dimensiones | 42 × 35 × 16 cm |
Marca
BOSCH
Solo los usuarios registrados que hayan comprado este producto pueden hacer una valoración.














Valoraciones
No hay valoraciones aún.